首页
关于我们
发展愿景
下载中心
智能照明
楼宇自控(BA)
联系我们
技术研发与服务
智能装备制造
系统集成与解决方案
软件信息技术与贸易出口
首页
关于我们
业务介绍
项目案例
产品中心
下载中心
联系我们
产品中心
楼宇自控系统
智能照明系统
当前位置 >>
产品中心 >>
智能照明系统
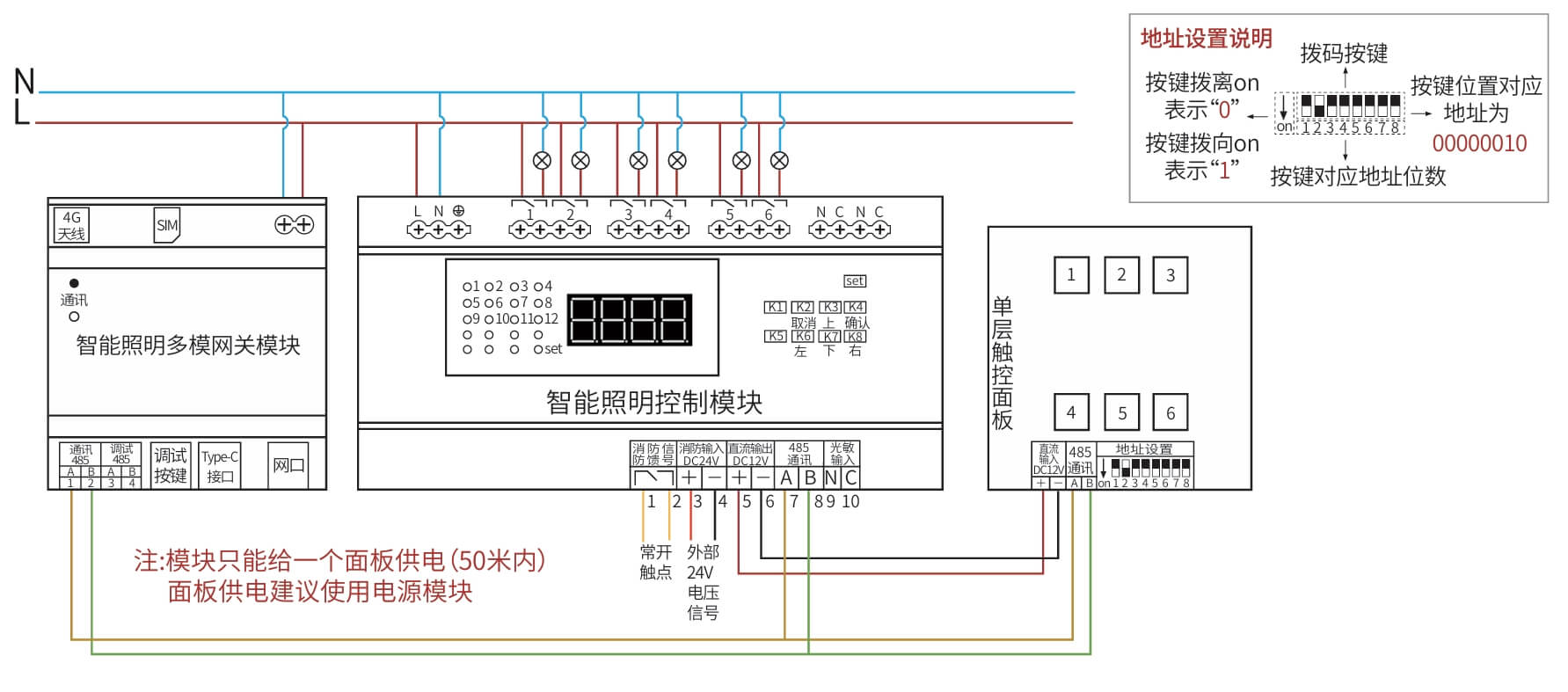
智能照明控制模块
RYKG-0416/RYKG-0425
RYKG-0816/RYKG-0825
RYKG-1216/RYKG-1225
4路智能照明控制模块
RYKG-0416/RYKG-0425
继电器设置全开全关操作、场景管理与开关设置、灯光状态显示、支持批量操作、一键全开全关、RS485通讯,标准Modbus-RTU通讯协议、波特率可调。
产品尺寸图 Product dimension drawing
产品接线图 Product wiring diagram
8路智能照明控制模块
RYKG-0816/RYKG-0825
继电器设置全开全关操作、场景管理与开关设置、灯光状态显示、支持批量操作、一键全开全关、RS485通讯,标准Modbus-RTU通讯协议、波特率可调。
产品尺寸图 Product dimension drawing
产品接线图 Product wiring diagram
12路智能照明控制模块
RYKG-1216/RYKG-1225
继电器设置全开全关操作、场景管理与开关设置、灯光状态显示、支持批量操作、一键全开全关、RS485通讯,标准Modbus-RTU通讯协议、波特率可调。
产品尺寸图 Product dimension drawing
产品接线图 Product wiring diagram
智能照明调光模块
RYTG-0410
RYTG-0405-KKG
0-10V调光模块
RYTG-0410
继电器设置全开全关操作、场景管理与开关设置、灯光状态显示、支持批量操作、一键全开全关、RS485通讯,标准Modbus-RTU通讯协议、波特率可调。
产品尺寸图 Product dimension drawing
产品接线图 Product wiring diagram
智能可控硅调光控制模块
RYTG-0405-KKG
继电器设置全开全关操作、场景管理与开关设置、灯光状态显示、支持批量操作、一键全开全关、RS485通讯,标准Modbus-RTU通讯协议、波特率可调。
产品尺寸图 Product dimension drawing
产品接线图 Product wiring diagram
智能照明网关
RY-GATEWAY
智能照明多模网关
RY-GATEWAY
支持有线、4G网络,支持多个操作系统(WIndows,Android 等 )、控制功能(远程控制灯开,灯灭)查询功能(远程查询模块数据)、定时功能(设置定时开关)、一键下发组合场景。智能屏配置数据上云、控制下发、协议转发、设备校时。
产品尺寸图 Product dimension drawing
产品接线图 Product wiring diagram
智能照明电源
RY-P
智能照明电源模块
RY-P
电压电流稳定可靠、过流过压保护、抗浪涌抗谐波、短路保护、过载保护。
产品尺寸图 Product dimension drawing
产品接线图 Product wiring diagram
智能照明触摸屏
RYMB-HD
4寸智能液晶屏
RYMB-HD
继电器设置 全开全关操作、时控功能设置、定时控制与管理、场景管理与开关设置、时钟日期显示、灯光状载图(A+4光亮度调节支持批量操作、一键全开全关、RS485通讯,标准Mobus-RTU 通讯协议、密码保护。
产品尺寸图 Product dimension drawing
产品接线图 Product wiring diagram
智能照明控制面板
RYMB-4
RYMB-6
RYMB-8
RYMB-12
RYMB-TG-10
RYMB-TG-KKG
4键可编程面板
RYMB-4
4键模块通道设置、高品质PC双重阻燃、钢化玻璃面板 触摸响应快、可编程面板、面板图案文字效果、自定义场景设定与管理、RS485 通讯、标准Modbus-RTU通讯协议、LED 背光显示。
产品尺寸图 Product dimension drawing
产品接线图 Product wiring diagram
6键可编程面板
RYMB-6
6键模块通道设置、高品质PC双重阻燃、钢化玻璃面板 触摸响应快、可编程面板、面板图案文字效果、自定义场景设定与管理、RS485通讯、标准Modbus-RTU通讯协议、LED背光显示。
产品尺寸图 Product dimension drawing
产品接线图 Product wiring diagram
8键可编程面板
RYMB-8
8键模块通道设置、高品质PC双重阻燃、钢化玻璃面板 触摸响应快、可编程面板、面板图案文字效果、自定义场景设定与管理、RS485通讯、标准Modbus-RTU通讯协议、LED背光显示。
产品尺寸图 Product dimension drawing
产品接线图 Product wiring diagram
12键可编程面板
RYMB-12
12键模块通道设置、高品质PC双重阻燃、钢化玻璃面板 触摸响应快、可编程面板、面板图案文字效果、自定义场景设定与管理、RS485通讯、标准Modbus-RTU通讯协议、 LED背光显示。
产品尺寸图 Product dimension drawing
产品接线图 Product wiring diagram
0-10V调光面板
RYMB-TG-10
0-10V 调光、高品质PC双重阻燃、钢化玻璃 面板 触摸响应快、面板图案文字效果、 RS485 通讯、标准Modbus-RTU通讯协议、 LED 背光显示。
产品尺寸图 Product dimension drawing
产品接线图 Product wiring diagram
0-220V可控硅调光面板
RYMB-TG-KKG
0-220V调光、高品质PC双重阻燃、钢化玻 璃面板 触摸响应快、面板图案文字效果、 RS485通讯、标准Modbus-RTU通讯协议、 LED背光显示。
产品尺寸图 Product dimension drawing
产品接线图 Product wiring diagram
智能照明移动探测器
RY-HW
RY-GK
RY-WB
可编程人体红外传感器
RY-HW
RS485 通讯、标准Modbus-RTU通讯协议、 高精度、宽量程,稳定性。线性度好,传输距 离长,支持远程编辑与管理。
产品尺寸图 Product dimension drawing
产品接线图 Product wiring diagram
可编程光照度传感器
RY-GK
RS485 通讯、标准Modbus-RTU通讯协议、 高精度、宽量程,稳定性。线性度好,传输距 离长,支持远程编辑与管理。
产品尺寸图 Product dimension drawing
产品接线图 Product wiring diagram
可编程微波传感器
RY-WB
RS485 通讯、标准Modbus-RTU通讯协议、 高精度、宽量程,稳定性。线性度好,传输距 离长,支持远程编辑与管理。
产品尺寸图 Product dimension drawing
产品接线图 Product wiring diagram
©2025 深圳锐翼智控科技有限公司
赣ICP备2025055808号-1